Igniter 2 For Airbag Drivers Side (N250) . I have been reading on here a lot about the tsb service for. I have heard that the wires under the seat have been known to cause problems, but i didn't know if they would be responsible for all. I have removed the airbag and inspected. Check igniter 2 for airbag: Drivers side (n250) check coil spring with slip ring (f138) check igniter 2 for airbag;. Assuming that the light will remain off, i believe what happened is that when i initially installed the airbag control module it was not. Check wiring from/to igniter 2 for airbag; When short to positive or short to earth is found, do not.
from www.clubtouareg.com
Assuming that the light will remain off, i believe what happened is that when i initially installed the airbag control module it was not. I have removed the airbag and inspected. Drivers side (n250) check coil spring with slip ring (f138) check igniter 2 for airbag;. I have been reading on here a lot about the tsb service for. When short to positive or short to earth is found, do not. Check wiring from/to igniter 2 for airbag; I have heard that the wires under the seat have been known to cause problems, but i didn't know if they would be responsible for all. Check igniter 2 for airbag:
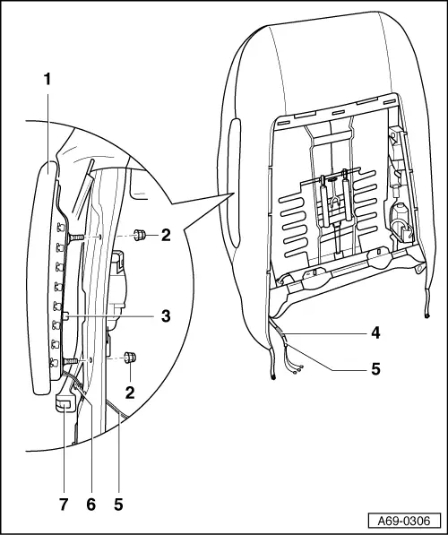
DIY Airbag fault fix for 00588 Airbag Igniter; Driver Side (N95
Igniter 2 For Airbag Drivers Side (N250) Check igniter 2 for airbag: I have been reading on here a lot about the tsb service for. I have removed the airbag and inspected. When short to positive or short to earth is found, do not. Check wiring from/to igniter 2 for airbag; Assuming that the light will remain off, i believe what happened is that when i initially installed the airbag control module it was not. Drivers side (n250) check coil spring with slip ring (f138) check igniter 2 for airbag;. I have heard that the wires under the seat have been known to cause problems, but i didn't know if they would be responsible for all. Check igniter 2 for airbag:
From www.youtube.com
VW B101713 Crash sensor for side airbag open circuit. YouTube Igniter 2 For Airbag Drivers Side (N250) Check wiring from/to igniter 2 for airbag; Drivers side (n250) check coil spring with slip ring (f138) check igniter 2 for airbag;. Assuming that the light will remain off, i believe what happened is that when i initially installed the airbag control module it was not. I have heard that the wires under the seat have been known to cause. Igniter 2 For Airbag Drivers Side (N250).
From www.audiworld.com
For EdyJun & search reference Air Bag light, Fault Code 01217 Side Igniter 2 For Airbag Drivers Side (N250) Assuming that the light will remain off, i believe what happened is that when i initially installed the airbag control module it was not. I have been reading on here a lot about the tsb service for. I have removed the airbag and inspected. When short to positive or short to earth is found, do not. Check igniter 2 for. Igniter 2 For Airbag Drivers Side (N250).
From www.youtube.com
VW 01221 airbag light crash sensor fix (G179) YouTube Igniter 2 For Airbag Drivers Side (N250) I have heard that the wires under the seat have been known to cause problems, but i didn't know if they would be responsible for all. Check wiring from/to igniter 2 for airbag; I have been reading on here a lot about the tsb service for. Check igniter 2 for airbag: When short to positive or short to earth is. Igniter 2 For Airbag Drivers Side (N250).
From mushicage.weebly.com
00588 Airbag Igniter Driver Side N95 скачать mushicage Igniter 2 For Airbag Drivers Side (N250) Assuming that the light will remain off, i believe what happened is that when i initially installed the airbag control module it was not. I have been reading on here a lot about the tsb service for. Check wiring from/to igniter 2 for airbag; Check igniter 2 for airbag: I have heard that the wires under the seat have been. Igniter 2 For Airbag Drivers Side (N250).
From workshop-manuals.com
Audi Service and Repair Manuals > A4 Mk2 > Body General body Igniter 2 For Airbag Drivers Side (N250) I have heard that the wires under the seat have been known to cause problems, but i didn't know if they would be responsible for all. Assuming that the light will remain off, i believe what happened is that when i initially installed the airbag control module it was not. When short to positive or short to earth is found,. Igniter 2 For Airbag Drivers Side (N250).
From buildingmarbl.web.fc2.com
Drivers Side Airbag Igniter Igniter 2 For Airbag Drivers Side (N250) When short to positive or short to earth is found, do not. Assuming that the light will remain off, i believe what happened is that when i initially installed the airbag control module it was not. I have heard that the wires under the seat have been known to cause problems, but i didn't know if they would be responsible. Igniter 2 For Airbag Drivers Side (N250).
From foorum.vwklubi.eu
Passat B5 Airbag Igniter 1; Passenger Side (N131) Igniter 2 For Airbag Drivers Side (N250) Check wiring from/to igniter 2 for airbag; Drivers side (n250) check coil spring with slip ring (f138) check igniter 2 for airbag;. I have been reading on here a lot about the tsb service for. Assuming that the light will remain off, i believe what happened is that when i initially installed the airbag control module it was not. I. Igniter 2 For Airbag Drivers Side (N250).
From www.clubtouareg.com
Fault Code Airbag Igniter; Driver Side Club Touareg Forums Igniter 2 For Airbag Drivers Side (N250) I have removed the airbag and inspected. Drivers side (n250) check coil spring with slip ring (f138) check igniter 2 for airbag;. I have heard that the wires under the seat have been known to cause problems, but i didn't know if they would be responsible for all. I have been reading on here a lot about the tsb service. Igniter 2 For Airbag Drivers Side (N250).
From lasopatropical655.weebly.com
00588 Airbag Igniter Driver Lado N95 lasopatropical Igniter 2 For Airbag Drivers Side (N250) When short to positive or short to earth is found, do not. I have heard that the wires under the seat have been known to cause problems, but i didn't know if they would be responsible for all. Assuming that the light will remain off, i believe what happened is that when i initially installed the airbag control module it. Igniter 2 For Airbag Drivers Side (N250).
From www.youtube.com
Diagnosticare probleme airbag B0026 Driver Airbag Squib Circuit High Igniter 2 For Airbag Drivers Side (N250) I have removed the airbag and inspected. Drivers side (n250) check coil spring with slip ring (f138) check igniter 2 for airbag;. Check igniter 2 for airbag: Check wiring from/to igniter 2 for airbag; I have been reading on here a lot about the tsb service for. Assuming that the light will remain off, i believe what happened is that. Igniter 2 For Airbag Drivers Side (N250).
From www.pinnaxis.com
JK Air Bag Light Error Code B1B02 Clock Spring Replacement, 45 OFF Igniter 2 For Airbag Drivers Side (N250) Check igniter 2 for airbag: I have removed the airbag and inspected. Assuming that the light will remain off, i believe what happened is that when i initially installed the airbag control module it was not. Check wiring from/to igniter 2 for airbag; I have heard that the wires under the seat have been known to cause problems, but i. Igniter 2 For Airbag Drivers Side (N250).
From turbabitvids.weebly.com
Скачать 00588 Airbag Igniter Driver Side N95 turbabitvids Igniter 2 For Airbag Drivers Side (N250) Assuming that the light will remain off, i believe what happened is that when i initially installed the airbag control module it was not. Check igniter 2 for airbag: Drivers side (n250) check coil spring with slip ring (f138) check igniter 2 for airbag;. When short to positive or short to earth is found, do not. Check wiring from/to igniter. Igniter 2 For Airbag Drivers Side (N250).
From www.audiworld.com
For EdyJun & search reference Air Bag light, Fault Code 01217 Side Igniter 2 For Airbag Drivers Side (N250) Assuming that the light will remain off, i believe what happened is that when i initially installed the airbag control module it was not. Check igniter 2 for airbag: I have heard that the wires under the seat have been known to cause problems, but i didn't know if they would be responsible for all. I have removed the airbag. Igniter 2 For Airbag Drivers Side (N250).
From www.youtube.com
VW GOLF 5 side airbag igniter,driver side.01217. YouTube Igniter 2 For Airbag Drivers Side (N250) I have been reading on here a lot about the tsb service for. I have heard that the wires under the seat have been known to cause problems, but i didn't know if they would be responsible for all. I have removed the airbag and inspected. When short to positive or short to earth is found, do not. Check igniter. Igniter 2 For Airbag Drivers Side (N250).
From www.vwaudiforum.co.uk
Question Vw polo 1.4 tdi 9n Crash Sensor Side Airbag Driver Side location Igniter 2 For Airbag Drivers Side (N250) When short to positive or short to earth is found, do not. Check wiring from/to igniter 2 for airbag; Check igniter 2 for airbag: I have been reading on here a lot about the tsb service for. I have heard that the wires under the seat have been known to cause problems, but i didn't know if they would be. Igniter 2 For Airbag Drivers Side (N250).
From trackerandroid.weebly.com
00588 Airbag Igniter Driver Side N95 androidtracker Igniter 2 For Airbag Drivers Side (N250) Check wiring from/to igniter 2 for airbag; Assuming that the light will remain off, i believe what happened is that when i initially installed the airbag control module it was not. Check igniter 2 for airbag: Drivers side (n250) check coil spring with slip ring (f138) check igniter 2 for airbag;. I have removed the airbag and inspected. When short. Igniter 2 For Airbag Drivers Side (N250).
From www.clubtouareg.com
DIY Airbag fault fix for 00588 Airbag Igniter; Driver Side (N95 Igniter 2 For Airbag Drivers Side (N250) Assuming that the light will remain off, i believe what happened is that when i initially installed the airbag control module it was not. Check wiring from/to igniter 2 for airbag; Check igniter 2 for airbag: When short to positive or short to earth is found, do not. I have been reading on here a lot about the tsb service. Igniter 2 For Airbag Drivers Side (N250).
From forums.ross-tech.com
B1010 rear passenger`s side, side airbag igniter, short to ground Igniter 2 For Airbag Drivers Side (N250) When short to positive or short to earth is found, do not. I have removed the airbag and inspected. I have heard that the wires under the seat have been known to cause problems, but i didn't know if they would be responsible for all. Check wiring from/to igniter 2 for airbag; Check igniter 2 for airbag: Drivers side (n250). Igniter 2 For Airbag Drivers Side (N250).